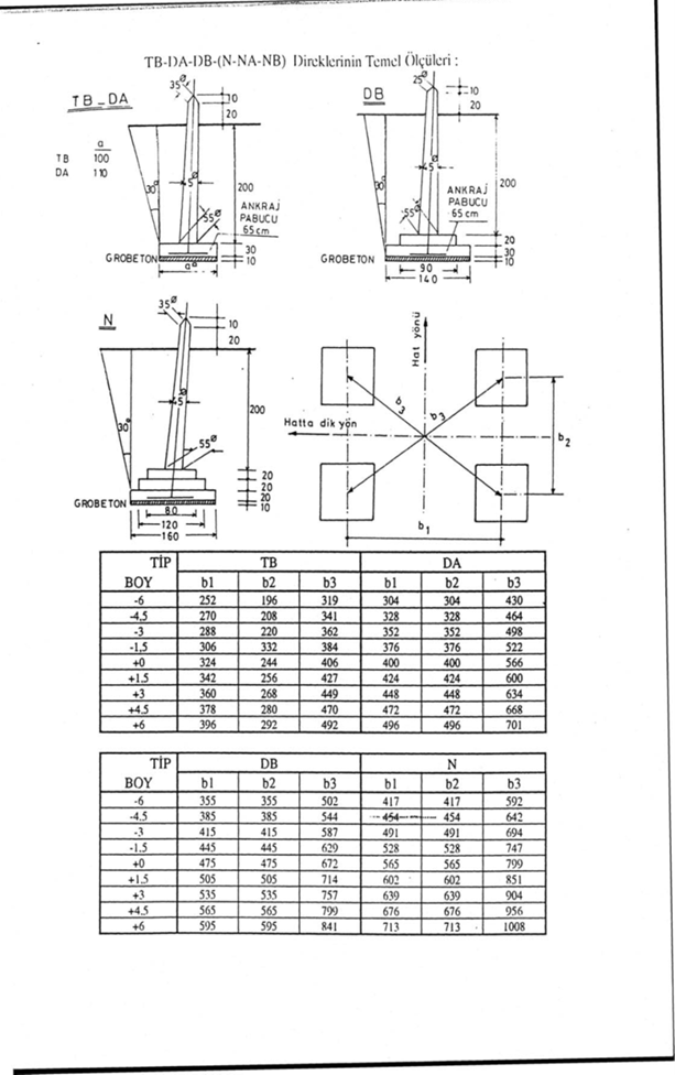
477MCM ÇİFT DEVRE (TB, DA, DB, N, NA, NB) DİREKLERİ APLİKASYON ÖLÇÜLERİ    
 
                             
 
          Hat Yönü                                                    
                                                               
                        B                                      
                                                             
                        b2                                      
                C                                            
          b3                                                  
Hatta Dik Yön                                                      
                                                             
                b3                                            
                                                             
            C                                                  
                                                             
                                                               
                                                               
                                                                 
        b1                                              
   
 
                                                           
      A                                            
                                                                 
TİP TB DA                                    
BOY a b1 b2 b3 A B C a b1 b2 b3 A B C                                    
-6 100 252 196 319 352 296 460 110 304 304 430 414 414 585                                    
-4,5 100 270 208 341 370 308 481 110 328 328 464 438 438 619                                    
-3 100 288 220 362 388 320 503 110 352 352 498 462 462 653                                    
-1,5 100 306 332 452 406 432 593 110 376 376 532 486 486 687                                    
+0 100 324 244 406 424 344 546 110 400 400 566 510 510 721                                    
+1,5 100 342 256 427 442 356 568 110 424 424 600 534 534 755                                    
+3 100 360 268 449 460 368 589 110 448 448 634 558 558 789                                    
+4,5 100 378 280 470 478 380 611 110 472 472 668 582 582 823                                    
+6 100 396 292 492 496 392 632 110 496 496 701 606 606 857                                    
                                                                 
TİP DB N                                    
BOY a b1 b2 b3 A B C a b1 b2 b3 A B C                                    
-6 140 355 355 502 495 495 700 160 417 417 590 577 577 816                                    
-4,5 140 385 385 544 525 525 742 160 454 454 642 614 614 868                                    
-3 140 415 415 587 555 555 785 160 491 491 694 651 651 921                                    
-1,5 140 445 445 629 585 585 827 160 528 528 747 688 688 973                                    
+0 140 475 475 672 615 615 870 160 565 565 799 725 725 1.025                                    
+1,5 140 505 505 714 645 645 912 160 602 602 851 762 762 1.078                                    
+3 140 535 535 757 675 675 955 160 639 639 904 799 799 1.130                                    
+4,5 140 565 565 799 705 705 997 160 676 676 956 836 836 1.182                                    
+6 140 595 595 841 735 735 1.039 160 713 713 1008 873 873 1.235                                    
                                                                 
                    https:/yildirimalkan.com                                      
                    https://turkubey.com